Mini bager na prodaju
      
        Ključne značajke našeg malog bagera:
I. Izvanredna osnovna izvedba: Pokretan pouzdanim dizelskim motorom Kubota Z482, ovaj stroj nudi 8,2 kW (11,23 konjskih snaga) za optimalnu izvedbu. S niskom potrošnjom goriva, minimalnim vibracijama i smanjenom bukom, projektiran je za učinkovitost i ekološku svijest.
II. Učinkovit hidraulički sustav: hidraulički sustav ima glavnu pumpu visokih performansi (marka Tianjin Walking/Shengjie) s maksimalnim protokom od 21,6 L/min, čime se osigurava gladak i učinkovit rad. Ojačane višeslojne cijevi za ulje od čelične žice ugrađene su u granu kako bi izdržale visoki tlak (70MPA) i smanjile habanje, povećavajući životni vijek stroja.
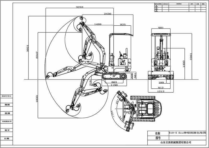
III. Vrhunske operativne mogućnosti: uz snažnu silu kopanja od 9,2 kN, ovaj stroj zadovoljava različite potrebe iskopavanja. Njegova inovativna funkcija ljuljanja na strani ruku omogućuje fleksibilno kopanje u uskim područjima, dok ultra-mali dizajn stražnjeg ljuljanja osigurava siguran i stabilan rad u skučenim prostorima.
IV. Trajnost i pouzdanost: Izrađen od novih materijala visoke čvrstoće kao što je FRP, ovaj bager je lagan i izdržljiv. Poboljšane gusjenice nude povećanu otpornost na habanje, toleranciju na pritisak i sprječavanje klizanja, omogućujući stroju da se prilagodi različitim radnim okruženjima.
V. Udobno iskustvo operatera: Dizajniran imajući na umu udobnost korisnika, ima bilateralne ručne kontrole, funkcije hodanja koje se upravljaju nogama, ergonomski oslonac za ruke i podesivo sjedalo sa sigurnosnim pojasom za sigurnost i udobnost tijekom dužeg korištenja. Dizajn s niskom razinom buke dodatno poboljšava iskustvo operatera, s FRP materijalima koji minimaliziraju prijenos zvuka i topline.
VI. Jednostavno održavanje: Uz uklonjivi strop za rad u malom prostoru, svakodnevno održavanje je jednostavno i učinkovito. Plastični spremnici dizela i hidrauličkog ulja osiguravaju čistoću goriva, produžujući vijek trajanja hidrauličkih komponenti. Prikladan dizajn stražnjih vrata dodatno pojednostavljuje zadatke rutinskog održavanja.
VII. Međunarodna usklađenost: Ovaj bager u potpunosti je usklađen s CE standardima, osiguravajući siguran i pouzdan rad. Ključne značajke uključuju hidrauličku elektroničku bravu, mjerač razine ulja, indikator napona i sustav upozorenja na pritisak.
Izravna tvornička prednost: Kao proizvođač, nudimo izravnu tvorničku cijenu bez posrednika, osiguravajući da dobijete najbolju vrijednost za svoju investiciju. Naši mali bageri kombiniraju moćne performanse, učinkovitost i izdržljivost, što ih čini idealnim za razne primjene. Potpomognuti rigoroznom kontrolom kvalitete i međunarodnim certifikatima, naši strojevi pružaju pouzdanost i produktivnost za globalne kupce.
Predano uspješno
Kontaktirat ćemo Vas u najkraćem mogućem roku

  
                        
                      
                    
  
                        
                      
                    
  
                        
                      
                    
  
                        
                      
                    
  
                        
                      
                    





